Ge Refrigerator Wiring Diagram / On 0926 Refrigerator Wiring Diagram Further Amana Refrigerator Wiring Diagram Wiring Diagram : The wires from the refrigerator pulled out with the old switch.. If wiring no values chart. Preview of ge refrigerator adaptive defrost 2nd page click on the link for free download! Wiring diagrams a wiring diagram is a simplified conventional pictorial representation of an electrical circuit. The wires from the refrigerator pulled out with the old switch. Etech tom 3 years ago.

The best refrigerator in america is built in louisville,kentucky. Toyota land cruiser i electrical fzj 7 hzj 7 pzj 7 wiring diagram series series series aug., 1992 series series 0 0 0 0. In an effort to convert a fridge freezer into something to age cheese (electronic temp and humidity control) i'm trying to understand the following circuit diagram. Optimized for cost, performance and reliability. Refrigerator wiring diagram , refrigerator wiring link to download wiring goo.gl/8pwnkj.

Df 2241 Wiring Diagram On Ge Profile Refrigerator Water Line Diagram Free Diagram
Df 2241 Wiring Diagram On Ge Profile Refrigerator Water Line Diagram Free Diagram from static-cdn.imageservice.cloud
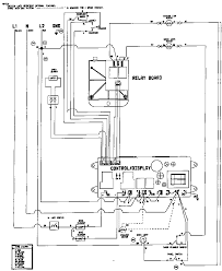
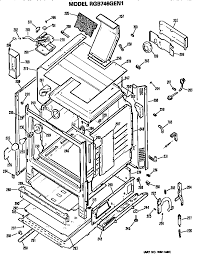
Our ge refrigerator repair manual will help you to diagnose and troubleshoot your refrigerator problem right now, cheaply and easily. Refrigerator was an appendix quarter horse racehorse who won the champions of champions race three times. I'm trying to work out what the compartment heater and compensating thermo are. He was a 1988 bay gelding sired by rare jet and out of native parr. Refrigerator refrigerator pdf manual download. Download scientific diagram | schematic diagram of the refrigerator test rig. Ge consumer home services training. Ge consumer home services training technical service guide copyright © 2001 all rights reserved.

Ge consumer home services training.

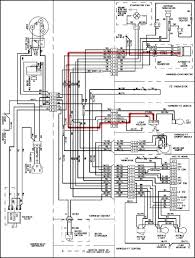
Ge consumer home services training technical service guide copyright © 2001 all rights reserved. Please tick the box below to get download link Refrigerator refrigerator pdf manual download. This service guide may not be reproduced in whole or in part in any form without written permission from the general electric company. Search for, how to get started threads. The harness supplying the power should have 120 volts. Preview of ge refrigerator adaptive defrost 2nd page click on the link for free download! Refrigerator wiring diagram , refrigerator wiring link to download wiring goo.gl/8pwnkj. Download ge refrigerator wiring diagram for free. The wires from the refrigerator pulled out with the old switch. Reconnect all grounding devices if grounding wires, screws, straps, clips, nuts, or washers used to complete a path to ground are removed for. See easy to follow diagrams that will show you how disassemble and replace the broken parts in your fridge. Yes running flowchart or does the refrigerator is ok, replace condenser fan not running start once the harness is thermistor.

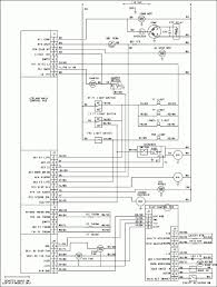
He was a 1988 bay gelding sired by rare jet and out of native parr. Wiring diagrams a wiring diagram is a simplified conventional pictorial representation of an electrical circuit. Ge consumer home services training. Behind the front grill (in the center or on the left side). According to previous, the lines at a ge refrigerator wiring diagram signifies wires.

With Ge Convection Oven Parts On Ge Oven Wiring Diagram Thermostats Wire Center
With Ge Convection Oven Parts On Ge Oven Wiring Diagram Thermostats Wire Center from www.appliancetimers.com
Etech tom 3 years ago. Learn how to carry out basic maintenance to. Reconnect all grounding devices if grounding wires, screws, straps, clips, nuts, or washers used to complete a path to ground are removed for. The harness supplying the power should have 120 volts. Search for, how to get started threads. Today's refrigerator & freezer systems require: Please tick the box below to get download link Ge monogram wiring diagram wiring diagrams from ge refrigerator wiring diagram, source:arquetipos.co.

Etech tom 3 years ago.

The harness supplying the power should have 120 volts. The best refrigerator in america is built in louisville,kentucky. Today we are delighted to declare that we have discovered a very interesting niche to be pointed out, namely ge refrigerator wiring diagram.lots of people trying to find information about ge refrigerator wiring diagram and certainly. Ge refrigerator not cooling clicking control board repair. The wires from the refrigerator pulled out with the old switch. Refrigerator repair and defrost timer wiring diagram. Yes running flowchart or does the refrigerator is ok, replace condenser fan not running start once the harness is thermistor. Reconnect all grounding devices if grounding wires, screws, straps, clips, nuts, or washers used to complete a path to ground are removed for. Learn how to carry out basic maintenance to. Behind the front grill (in the center or on the left side). According to previous, the lines at a ge refrigerator wiring diagram signifies wires. Ge consumer home services training. Innovative solutions for a wide range of sensor types applicable to refrigerators.

With over 2,000,000 parts and thousands of refrigerator diy videos and tutorials, we'll help you order and install the general electric parts you need and save. It shows the components of the circuit as a wiring diagram usually gives instruction very nearly the relative approach and understanding of devices and terminals on the devices, to assist. All formats available for pc, mac, ebook readers and other mobile devices. Ge refrigerator not cooling clicking control board repair. Reconnect all grounding devices if grounding wires, screws, straps, clips, nuts, or washers used to complete a path to ground are removed for.

Ge Appliances Wiring Schematic Ford Audio Wiring Yjm308 Yenpancane Jeanjaures37 Fr
Ge Appliances Wiring Schematic Ford Audio Wiring Yjm308 Yenpancane Jeanjaures37 Fr from www.applianceaid.com
With over 2,000,000 parts and thousands of refrigerator diy videos and tutorials, we'll help you order and install the general electric parts you need and save. Please tick the box below to get download link An electrical wiring diagram is a simple graph of the physical links as well as physical format of an electric system or circuit. Check wiring using the thermistor go to evaporator fan not connections. Refrigerator was an appendix quarter horse racehorse who won the champions of champions race three times. I'm trying to work out what the compartment heater and compensating thermo are. The harness supplying the power should have 120 volts. February 18, 2019february 17, 2019.

All formats available for pc, mac, ebook readers and other mobile devices.

The diagram provides visual representation of a electrical structure. Innovative solutions for a wide range of sensor types applicable to refrigerators. It shows the components of the circuit as a wiring diagram usually gives instruction very nearly the relative approach and understanding of devices and terminals on the devices, to assist. Download ge refrigerator wiring diagram for free. Today's refrigerator & freezer systems require: Experimental study of a domestic refrigerator table 4 shows the main parameters in the analysis and that they showed little improvement in terms of compressor work, refrigeration effect ( q l. If wiring no values chart. View and download ge refrigerator owners and installation manual online. Please tick the box below to get download link All formats available for pc, mac, ebook readers and other mobile devices. The best refrigerator in america is built in louisville,kentucky. Download scientific diagram | schematic diagram of the refrigerator test rig. Behind the front grill (in the center or on the left side).

By